Máy khoan, vát và taro VIMET DCT05402

Mã sản phẩm: DCT05402
Thương hiệu: VIMET
Giá: Liên hệ
Mua hàng:
Views: 750

Đánh giá

  • Thông số kỹ thuật
  • Sản phẩm liên quan
Máy khoan, đột và taro VIMET DCT05402
Model: DCT05402
Thương hiệu và xuất xứ: VIMET
Nhập khẩu và phân phối: Thietbioto.vn
 
Thông số kỹ thuật
1/ Máy gia công chi tiết 1
- Cấp phôi tự động bằng mâm rung
- Kẹp tự động
- Dịch chuyển bằng tay gắp đơn giản
- Đục lỗ ngang
- Đột lỗ ngang
- Vát mép ngang
- Taro ngang
- Tháo dỡ tự động
- Sản luợng: 10-15 cái / phút
Máy khoan, vát và taro VIMET DCT05402
2/ Máy gia công chi tiết 2
- Khoan và taro quay
- Cấp phôi tự động bằng mâm rung
- Kẹp tự động
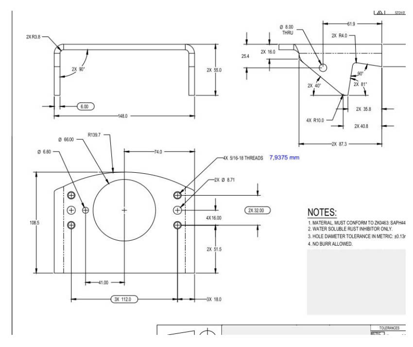
- Khoan đứng 4 trục lỗ đáy 5/16-18
- Khoan đứng 2 trục lỗ 8.71
- Khoan đứng lỗ 6.6
- Taro đứng 4 trục ren 5/16-18
- Tháo dỡ tự động
- Sản luợng: 10-15 cái / phút
Máy khoan, vát và taro VIMET DCT05402
3/ Máy gia công chi tiết 3
- Đột và taro quay
- Nạp vật liệu xếp chồng tự động
- Kẹp tự động
- Khoan đứng 4 trục đáy ren M6
- Khoan đứng 3 trục đáy ren M4
- Taro đứng 3 trục lỗ M4
- Taro đứng 4 trục ren M6
- Tháo dỡ tự động
- Sản luợng: 10-15 cái / phút
Máy khoan, vát và taro VIMET DCT05402
4/ Máy gia công chi tiết 4
- Đột và taro quay
- Nạp vật liệu xếp chồng tự động
- Kẹp tự động
- Khoan đứng 4 trục lỗ 8.73mm
- Khoan đứng 2 trục đáy ren M4
- Khoan đứng lỗ 9mm
- Taro đứng 2 trục ren M4
- Tháo dỡ tự động
- Sản luợng: 10-15 cái / phút
Máy khoan, vát và taro VIMET DCT05402
5/ Máy gia công chi tiết 5
- Nạp liệu tự động từ các vật liệu được xếp chồng
- Kẹp tự động
- Khoan đứng 2 trục lỗ đáy 3/8-16
- Khoan đứng lỗ 12mm
- Taro đứng 2 trục ren 3/8-16
- Tháo dỡ tự động
- Sản luợng: 10-15 cái / phút
Máy khoan, vát và taro VIMET DCT05402
 
6/ Máy gia công chi tiết 6
Thay đồ gá và các dụng cụ kẹp chặt trong quá trình gia công tự động
 
Máy khoan, vát và taro VIMET DCT05402
Máy khoan, vát và taro VIMET DCT05402
Máy khoan, vát và taro VIMET DCT05402
 

Mã sản phẩm : RBM22200

Giá : 49,800,000 VNĐ (Chưa VAT)

Mã sản phẩm : Z100 TCN

Giá : Liên hệ

Mã sản phẩm : DCT05403

Giá : 998,500,000 VNĐ (Chưa VAT)

Mã sản phẩm : DCT05401

Giá : 1,320,000,000 VNĐ (Chưa VAT)

Mã sản phẩm : AC200

Giá : Liên hệ

Mã sản phẩm : LEV300

Giá : Liên hệ

Mã sản phẩm : B5032

Giá : Liên hệ

Mã sản phẩm : AC110

Giá : Liên hệ

Mã sản phẩm : RSM240

Giá : 517,500,000 VNĐ (Chưa VAT)

Mã sản phẩm : AC170

Giá : 958,000,000 VNĐ (Chưa VAT)

Mã sản phẩm : BGV220

Giá : Liên hệ

Công ty Cổ Phần Kỹ Thuật Thiết Bị Việt Mỹ, với hơn một thập kỷ hoạt động, đã khẳng định vị thế của mình là một trong những đơn vị hàng đầu tại Việt Nam trong lĩnh vực cung cấp thiết bị ô tô và giải pháp kỹ thuật cho các ngành công nghiệp. Chúng tôi tự hào về sứ mệnh của mình, đó là mang lại giá trị thực sự cho khách hàng thông qua các sản phẩm và dịch vụ chất lượng, sáng tạo và hiệu quả.

Với đội ngũ nhân viên giàu kinh nghiệm và nhiệt huyết, chúng tôi cam kết cung cấp cho khách hàng các sản phẩm chất lượng hàng đầu từ các nhà sản xuất uy tín trên thế giới. Chúng tôi không chỉ là một nhà cung cấp thiết bị, mà còn là một đối tác đáng tin cậy, luôn sẵn lòng hỗ trợ và đồng hành cùng khách hàng trong mọi dự án và nhu cầu kỹ thuật của họ.

Với các sản phẩm đa dạng từ máy móc công nghiệp, thiết bị ô tô đến công nghệ thông tin, dụng cụ cầm tay, cầu nâng hạ xe ô tô, cầu nâng sửa chữa ô tô, phòng sơn ô tô, chúng tôi đem đến giải pháp tiên tiến cho các ngành công nghiệp khác nhau. Sứ mệnh của chúng tôi là trở thành một đối tác đáng tin cậy và tin cậy của khách hàng, đồng hành cùng họ trong mọi dự án và nhu cầu kỹ thuật.

Chúng tôi cam kết đem lại sự hài lòng và tin cậy tuyệt đối cho mọi khách hàng thông qua sản phẩm và dịch vụ của mình. Hãy liên hệ với chúng tôi ngay hôm nay để biết thêm thông tin chi tiết và nhận được sự tư vấn miễn phí từ đội ngũ chuyên nghiệp của chúng tôi.

Thiết bị ô tô, thiet bi o to, thiết bị ô tô, thiết bị ôtô thietbioto.vn, thiết bị ô tô, dụng cụ cầm tay, thiết bị dụng cụ cầm tay, dụng cụ cầm tay sửa chữa ô tô, thiết bị sửa chữa ô tô, thế giới dụng cụ, vimet, máy nén khí, thiết bị nâng hạ ô tô, tủ dụng cụ đồ nghề, dụng cụ đồ nghề, cầu nâng, tủ dụng cụ toptul, toptul, cờ lê, thiết bị rửa xe,máy ra vỏ lốp, phòng sơn ô tô, phòng sơn nhanh, phòng sơn nước gốc, dụng cụ khí nén, dụng cụ sửa chữa garage, cầu nâng 2 trụ, Cầu nâng đôi,Cầu nâng hai trụ,Thiết bị nâng đôi,Nâng xe bằng cầu nâng 2 trụ,Cầu nâng xe hơi,Cầu nâng dầu,Nâng xe ô tô bằng cầu nâng 2 trụ,Nâng xe công nghiệp,Cầu nâng xe tải,Cầu nâng bằng thủy lực,Cơ cấu nâng đôi,Công nghệ cầu nâng 2 trụ,Cầu nâng xe ô tô công nghiệp,Cầu nâng chất lượng,Cầu nâng an toàn,Cầu nâng chuyên nghiệp,Cầu nâng trọng tải lớn,Cầu nâng thương mại,Cầu nâng sửa chữa xe,Cầu nâng ô tô kiểu đứng hai cột,thiet bi o to, thiết bị sửa chữa ô tô, thiết bị sửa chữa, dụng cụ khí nén, súng vặn bu lông, Thiết bị chiếu sáng,Thiết bị điện lạnh VALUE, Thiết bị kiểm tra động cơ,Thiết bị ngành hàn,Thiết bị tách mặt bích,Thiết bị vỏ lốp, thiết bị ra vào vỏ lốp, Vật tư tiêu hao,THIẾT BỊ TẠO HƠI NƯỚC, Thiết bị rửa xe - làm sạch, Thiết bị kiểm tra góc lái, Thiết bị kiểm tra góc lái,Thiết bị chuyên dầu mỡ,Dụng cụ cắt gọt,Dụng cụ cầm tay chuyên nghiệp TOPTUL,Cờ lê lực,Cuộn dây tự rút, Hóa chất tẩy rửa,Thiết bị dụng cụ HIDI,Thiết bị kiểm tra Máy Gầm,Thiết bị sạc bình và kiểm tra ắc quy,Thiết bị gia công cơ khí,Thiết bị thủy lực,Dụng cụ điện cầm tay,Thiết bị điện lạnh,Thiết bị kiểm định Ô tô xe máy,Thiết bị sơn Iwata,Thiết bị vệ sinh công nghiệp,Đèn pin cầm tay,Đèn cánh báo,Dụng cụ kiểm tra sự rò rỉ khí gas,Đồng hồ nạp ga lạnh,Máy bơm hút chân không và thu hồi ga lạnh,Bộ lã ống đồng hay bộ loe ống đồng,Thiết bị đo và kiểm tra ga lạnh,Bộ dụng cụ sửa chữa hệ thống lạnh,Thiết bị làm sạch buồng đốt động cơ,Thiết bị kiểm tra động cơ,Máy Cân Chỉnh Bơm Cao Áp ,Máy chẩn đoán lỗi ,Máy hàn TIG,Hàn Gió Đá ,Máy hàn MIG,Máy cắt,Phụ kiện máy hàn,Máy cân bằng động,Máy vá, miếng vá và keo,Dụng cụ bơm lốp ,Bộ dụng cụ mở bánh xe,Dụng cụ chuyên dùng lốp xe,Chì cân bằng động bánh xe,Thiết bị kiểm tra góc lái,Máy bơm Nitrogen,Trạm Bơm Lốp Kỹ Thuật Số,Xe đẩy lốp ,Mũi khoan,Mũi phay,Mũi Taro,Dụng cụ cách điện & dụng cụ điện tổng hợp VDE,Khóa lục giác và lục giác sao,Tủ dụng cụ đồ nghề chuyên dụng và bộ khay, hộp dụng cụ,Bộ đồ nghề xách tay,Tủ đựng dụng cụ và đồ nghề,Thiết bị chuyên dụng,Cabine vệ sinh lọc gió,Thang máy nâng hàng hóa,Thiết bị hứng hút nhớt,Máy thay dầu hộp số,Thiết bị rửa chi tiết,Thiết bị thay dầu phanh,Hệ thống bơm nhớt trung tâm,Đồng hồ đo lưu lượng ,Bơm màng,Súng bơm dầu nhớt ,Trụ bơm hóa chất công nghiệp ,Hệ thống cấp dầu nhớt,Thiết bị sửa chữa thân xe, Bộ dụng cụ chuyên đồng sơn,Dụng cụ sửa chữa nội ngoại thất ,Máy chà nhám matit,Đèn sấy sơn chuyên dụng,Máy hàn rút tôn,Máy hàn nhựa và kim hàn nhựa,Dụng cụ đo kiểm khung gầm ô tô,Giá treo hỗ trợ phun sơn,Thiết bị sơn mâm xe ô tô,Máy rửa xe bằng hơi nước nóng,Máy rửa xe cao áp,Máy rửa xe thông dụng,Máy rửa xe bọt tuyết,Hệ thống rửa xe tự động,MÁY LÀM ĐÁ KHÔ,Máy Bắn Đá Khô,Giấy nhám,Cuộn dây hơi,Cuộn dây điện,Cuộn dây bơm nhớt - mỡ,Cuộn dây hơi - nước tự rút,Cuộn dây dẫn khí Gas,Cuộn dây cao áp nước nóng,Cuộn dây hàn, Cuộn dây dẫn dầu Diesel ,Ống dẫn hơi nước ,Ống dẫn cao áp nước nóng,Ống dẫn nhớt,Ống dẫn mỡ,Ống dẫn dầu Diesel,Ống dẫn cuộn dây hàn,Ống dẫn khí GAS,Máy đánh bóng,Máy mài,Máy khoan,Súng rút đinh tán rive,Súng vặn bulong tay ngang,Máy cưa cắt bằng khí nén,Dung dịch rửa xe,Dung dịch siêu âm - súc béc,Dung dịch khử mùi,Súng vặn bu lông,Máy tiện CNC,Máy phay,Máy vớt đĩa thắng ,Máy mài trục cơ ,Máy cân chỉnh sửa chữa mâm xe,Máy rà sửa chữa bề mặt Xupap,Máy cân chỉnh đầu Block máy,Máy mài bánh đà và ép bố ly hợp,Máy nắn khung càng xe,Máy công cụ sửa chữa xe gắn máy,Máy cưa,Thiết bị tán đinh bố thắng,Máy cảo dên,Máy mài xilanh trục,Máy mài sup-pap,Máy doa miệng sup-pap,Máy mài cam cò,Máy xoáy lỗ cam ,Máy đánh bóng thủy lực,Máy xoáy xilanh,Dụng cụ đo chính xác,Dụng cụ đo ngành điện ,Thiết bị đo môi trường,Thiết bị kiểm tra kim phun,Thiết bị sạc và khởi động,Thiết bị điện tổng hợp,Thiết Bị Kiểm Tra Ắc quy,Bơm thủy lực,Máy ép thủy lực ,Đội thủy lực,Máy uốn - bấm ống thủy lực,Cảo Thủy lực ,Đầu tách thủy lực - nêm thủy lực,ty ben thủy lực,Máy nén khí Piston ,Máy nén khí trục vít ,Máy sấy khí ,Bộ lọc khí,Bình chứa khí,Đầu nén khí ,Máy nén khí không dầu,Máy nén khí giảm âm,Máy thu hồi và nạp gas tự động,Đồng hồ nạp gas lạnh,Dụng cụ kiểm tra sự rò rỉ khí gas ,Bơm hút chân không,Dụng cụ nã cắt tháo ống gas,Thiết bị cân và phân tích loại Gas ,Dây dẫn Gas và dụng cụ đầu nối cao thấp áp,Dụng cụ thay thế và bộ lọc gas,Bình khí gas chuẩn và hóa chất hỗ trợ,Dụng cụ cho hệ thống điện lạnh,Đồng hồ đo áp suất ,Dầu bơm chân không,Đồng hồ chân không,Thiết bị đo kiểm,Máy phân tích ga lạnh,Máy phân tích khí xả động cơ đốt trong,Thiết bị kiểm tra hệ thống phanh,Thiết bị đo độ ồn,Thiết bị kiểm tra đèn pha,Dây chuyền kiểm định xe tải ,Thiết bị kiểm tra hệ thống treo,Thiết bị nâng hạ súng mở bulong 1 inch,Giá đỡ hộp số ,Cầu nâng 4 trụ,Cẩu móc động cơ,Cầu nâng cắt kéo kiểu xếp ,Bàn nâng mô tô xe máy,Cầu nâng xe ô tô lên tầng, xe nằm sửa chữa ô tô,Giá đỡ tháo lắp động cơ ô tô ,Xe nâng thùng phi dầu nhớt hóa chất,Xe nâng bàn,Kích cá sấu,Đội thủy lực ,Kích Nâng xe tải và xe bus,Đội hơi bong bóng,Cầu nâng ô tô di động,Kích trục vít,Cầu nâng 6 trụ,Súng sơn gốc nước,Nồi trộn sơn,Súng phun sơn,Cốc súng phun sơn,Máy hút bụi,Máy chà sàn giặt thảm,Máy chà nhám hút bụi,Thước đo và dụng cụ cắt,Dụng cụ chống cháy nổ,Ống dẫn hơi máy hút bụi chà nhám
Đối tác
Xem giỏ hàng